SEWシリーズ
measure:m/m,(inch)
measure:m/m,(inch)
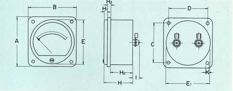
| Type | SEW-118 | SEW-106 | SEW-86 | SEW-66 | SEW-48 | |||||
|---|---|---|---|---|---|---|---|---|---|---|
| Dimension | ||||||||||
| A | 107 | (4.213) | 83 | (3.268) | 78 | (3.071) | 60 | (2.362) | 42 | (1.654) |
| B | 118 | (4.646) | 106 | (4.173) | 86 | (3.385) | 66 | (2.598) | 48 | (1.890) |
| C | 65 | (2.559) | 51 | (2.008) | 46 | (1.811) | 34 | (1.339) | 20.5 | (0.807) |
| D | 110 | (4.331) | 100 | (3.937) | 81 | (3.189) | 62 | (2.441) | 44 | (1.732) |
| E | 4 | (0.157) | 3 | (0.118) | 3.5 | (0.136) | 2 | (0.079) | 2 | (0.079) |
| F | 90 | (3.549) | 66 | (2.598) | 57 | (2.244) | 48 | (1.890) | 32 | (1.260) |
| G | 100 | (3.937) | 89 | (3.504) | ||||||
| H | 69 | (2.717) | 61 | (2.402) | 61 | (2.402) | 55 | (2.165) | 38 | (1.496) |
| I | 6.5 | (0.256) | 6 | (0.236) | 5.5 | (0.217) | ー | |||
| J | 38 | (1.496) | 40 | (1.575) | 40 | (1.575) | 24 | (0.945) | 25 | (0.984) |
| K | 14 | (0.551) | 12 | (0.472) | 11 | (0.433) | 11 | (0.433) | 10 | (0.394) |
| K1 | 3 | (0.118) | 2.5 | (0.098) | 2 | (0.079) | 2 | (0.079) | 1.5 | (0.059) |
| K2 | 24 | (0.945) | 24 | (0.945) | 24 | (0.945) | 24 | (0.945) | 25 | (0.984) |
| K3 | 9 | (0.340) | 9 | (0.340) | 9 | (0.340) | 9 | (0.340) | 6.6 | (0.259) |
| L | 13 | (5.118) | 15 | (0.591) | 15 | (0.591) | 10 | (0.394) | 8 | (0.315) |
| L1 | 3 | (0.118) | 3 | (0.118) | 3 | (0.118) | 3 | (0.118) | 2.3 | (0.091) |
| L2 | ー | 0.5 | (0.020) | 0.5 | (0.020) | 0.5 | (0.020) | 0.5 | (0.020) | |
| M | 9 | (0.276) | 9 | (0.276) | 7 | (0.276) | 6 | (0.236) | ||
SWシリーズ
measure:m/m,(inch)
measure:m/m,(inch)
| Type | SW-120 | SW-100 | SW-80 | SW-55 | ||||
|---|---|---|---|---|---|---|---|---|
| Dimension | ||||||||
| A | 100 | (3.937) | 80 | (3.150) | 65 | (2.559) | 45 | (1.772) |
| B | 120 | (4.724) | 100 | (3.937) | 80 | (3.150) | 55 | (2.165) |
| C | 83 | (3.269) | 64 | (2.520) | 48 | (1.888) | 34 | (1.339) |
| D | 90 | (3.543) | 84 | (3.307) | 64 | (2.520) | ||
| E | 70 | (2.756) | 65 | (2.559) | 52 | (2.047) | 38 | (1.496) |
| F | 10 | (0.394) | 6 | (0.236) | 3 | (0.118) | ー | |
| H1 | 13 | (0.512) | 13 | (0.512) | 11 | (0.433) | 10.5 | (0.413) |
| H2 | 24 | (0.945) | 24 | (0.945) | 25 | (0.984) | 22 | (0.866) |
| I | 9 | (0.354) | 9 | (0.354) | 8 | (0.315) | 7 | (0.276) |
| L | 15 | (0.591) | 15 | (0.591) | 10 | (0.394) | 10 | (0.394) |
| L1 | 3 | (0.118) | 3 | (0.118) | 3 | (0.118) | 3 | (0.118) |
お問い合わせ
CONTACT
ご相談・ご質問は、お電話はまたはメールフォームから
お気軽にお問い合わせください。